服务热线


网站导航
主营产品:
管道泵
当前位置:主页 > 产品展示> 管道泵

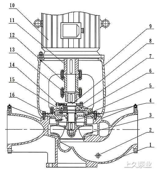
ISGB型便拆式立式管道离心泵

产品时间:2021-07-08 14:33

简要描述:

SGB型便拆式立式管道 离心泵 为ISG型泵的改型。该泵主要是在ISG泵的基础上增加了加长联轴器的结构,如此改进之后的优点是:1.电机为标准轴电机,配置一些客户特殊要求的电机时比较...

详细介绍

SGB型便拆式立式管道离心泵为ISG型泵的改型。该泵主要是在ISG泵的基础上增加了加长联轴器的结构,如此改进之后的优点是:1.电机为标准轴电机,配置一些客户特殊要求的电机时比较方便;2.因为加长联轴器的存在,更换泵内部配件的时候无需挪动电机,也无需拆卸泵体和管道,可以直接在线更换,故称为“便拆式”。

1.jpg


 


产品咨询

留言框

  • 产品:

  • 留言内容:

  • 您的单位:

  • 您的姓名:

  • 联系电话:

  • 常用邮箱:

  • 详细地址:

上一篇:QDLF型轻型不锈钢立式多级管道离心泵

下一篇:没有了

推荐产品

Copyright © 开云·官方网站登录入口-开云online(中国) 版权所有  

添加QQ客服:

服务热线

扫一扫,关注我们

微信二维码
weixinhao
微信号